Mô tả
Thông số kỹ thuật
| Mã sản phẩm | ZT-02B |
| Điện áp vào | 220-240VAC |
| Điện áp ra | 220VAC |
| Kiểu pin | Lithium |
| Thông số pin | 11,1V 2500mA |
| Kích thước | 200x60x32mm |
| Vật liệu | Nhôm |
| Phù hợp với đèn | <12W |
Giới thiệu chung
Mất điện đột ngột không chỉ gây bất tiện trong sinh hoạt mà còn tiềm ẩn nguy cơ mất an toàn, đặc biệt là tại các khu vực hành lang, cầu thang hoặc lối thoát hiểm. Giải pháp tối ưu nhất hiện nay là trang bị bộ lưu điện sự cố cho đèn LED âm trần.
Trong bài viết này, chúng tôi sẽ hướng dẫn chi tiết cách đấu nối bộ lưu điện model PINTD-12W – dòng thiết bị phổ biến nhất hiện nay nhờ tính ổn định và giá thành hợp lý.
Tại sao nên chọn bộ lưu điện PINTD-12W?
Bộ lưu điện PINTD-12W là loại lưu điện thấp áp (12V-40V), được thiết kế chuyên dụng cho các loại đèn LED âm trần (Downlight) hoặc đèn LED có driver rời với công suất dưới 12W.
Ưu điểm nổi bật:
-
An toàn tuyệt đối: Đầu ra sử dụng điện áp thấp, giảm thiểu rủi ro chập cháy.
-
Thời gian lưu điện dài: Lên tới 3 giờ cho đèn công suất 9-12W (đèn công suất nhỏ hơn sẽ sáng lâu hơn).
-
Tự động nạp xả: Tự động sạc đầy trong 24h và tự kích hoạt khi mất điện lưới.
Chuẩn bị trước khi đấu nối
Để đảm bảo an toàn và chính xác, bạn cần nắm rõ 2 chế độ hoạt động của bộ lưu điện này để chọn cách đấu phù hợp với nhu cầu:
-
Chế độ 1 (Đơn giản): Đèn chỉ sáng khi mất điện (Thường dùng cho đèn Exit, đèn hành lang).
-
Chế độ 2 (Kết hợp): Đèn sử dụng bình thường (bật/tắt bằng công tắc), khi mất điện đèn sẽ tự động bật sáng.
⚠️ CẢNH BÁO AN TOÀN:
Ngắt hoàn toàn cầu dao tổng trước khi thực hiện.
Xác định đúng dây Nóng (L) và dây Mát (N) bằng bút thử điện.
Tuân thủ đúng cực Âm (-) và Dương (+) của đèn LED.
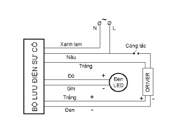
Cách 1: Đấu điện chế độ “Chỉ sáng khi gặp sự cố”
(Cách này đơn giản, không cần thợ điện chuyên nghiệp cũng có thể làm được)
Nguyên lý: Khi có điện, đèn tắt để sạc pin. Khi mất điện, đèn tự động bật sáng.
-
Bước 1: Tháo đèn LED ra khỏi bộ nguồn (Driver) cũ của đèn (Bộ driver này sẽ không sử dụng đến trong cách này).
-
Bước 2: Đấu nối đèn vào bộ lưu điện:
-
Nối dây Màu Đỏ vào cực Dương (+) của đèn.
-
Nối dây Màu Ghi (Xám) vào cực Âm (-) của đèn.
-
-
Bước 3: Cấp nguồn 220V cho bộ lưu điện:
-
Nối dây Màu Nâu vào dây Nóng (L) của nguồn điện.
-
Nối dây Màu Xanh Lam vào dây Mát (N) của nguồn điện.
-

Cách 2: Đấu điện chế độ “Chiếu sáng thường & Sự cố”
(Cách này phức tạp hơn, cho phép dùng đèn như bình thường nhưng vẫn có tính năng lưu điện)
Nguyên lý: Đèn vẫn bật tắt bằng công tắc bình thường. Khi mất điện lưới, đèn tự động bật sáng bất kể công tắc đang ở trạng thái nào.
-
Bước 1: Tách đèn LED ra khỏi bộ driver cũ.
-
Bước 2: Đấu nối đèn vào bộ lưu điện (Giống cách 1):
-
Dây Đỏ vào cực Dương (+).
-
Dây Ghi vào cực Âm (-).
-
-
Bước 3: Kết nối Driver cũ vào bộ lưu điện:
-
Lấy 2 dây đầu ra (Output) của Driver cũ nối vào dây Trắng và dây Đen của bộ lưu điện.
-
Lưu ý: Đấu đúng cực âm dương nếu trên vỏ bộ lưu điện có ký hiệu, thường Đen là âm (-).
-
-
Bước 4: Đấu nguồn cho Driver cũ (để dùng công tắc):
-
Dây Mát đầu vào của Driver: Đấu chung với dây Trắng còn lại của bộ lưu điện.
-
Dây Nóng đầu vào của Driver: Đấu qua công tắc, sau đó nối vào nguồn điện.
-
-
Bước 5: Cấp nguồn nuôi cho bộ lưu điện:
-
Nối dây Màu Nâu vào dây Nóng (L) nguồn tổng (trước công tắc).
-
Nối dây Màu Xanh Lam vào dây Mát (N) nguồn tổng.
-

Một số lưu ý khi lắp đặt
-
Kiểm tra giắc nối: Nếu giắc nối của đèn và bộ lưu điện không khớp nhau, bạn có thể cắt bỏ giắc và đấu nối trực tiếp bằng băng dính điện hoặc cầu đấu để đảm bảo chắc chắn.
-
Vị trí lắp đặt: Nên đặt bộ lưu điện bên cạnh đèn, ở nơi khô ráo phía trên trần thạch cao để đảm bảo tuổi thọ cho pin.
-
Bảo trì: Nên xả điện (ngắt nguồn cho đèn sáng hết pin) định kỳ 3-6 tháng/lần để tăng tuổi thọ cho pin lưu điện.
Lời kết
Trên đây là hướng dẫn chi tiết cách đấu bộ lưu điện PINTD-12W. Tùy vào mục đích sử dụng cho lối thoát hiểm hay chiếu sáng sinh hoạt mà bạn hãy chọn cách đấu nối phù hợp nhất.
Nếu bạn gặp khó khăn trong quá trình lắp đặt, đừng ngần ngại để lại bình luận bên dưới hoặc liên hệ với đội ngũ kỹ thuật để được hỗ trợ.

















